コンテンツにスキップ
HOME
会社概要
事業内容
製品一覧
お問合せ
HOME
会社概要
事業内容
製品一覧
お問合せ
veep
蓄電架台のプロフェッショナル
株式会社veep
veep Co.,Ltd
〒123-0873
東京都足立区扇2-42-15-105
03-6770-3146
john@veep.co.jp
HOME
会社概要
事業内容
製品一覧
お問合せ
HOME
会社概要
事業内容
製品一覧
お問合せ
veep
株式会社veep
HOME
会社概要
事業内容
製品一覧
お問合せ
HOME
会社概要
事業内容
製品一覧
お問合せ
Menu
HOME
会社概要
事業内容
製品一覧
お問合せ
HOME
会社概要
事業内容
製品一覧
お問合せ
Information
東京都足立区扇2-42-15-105
03-6770-3146
john@veep.co.jp
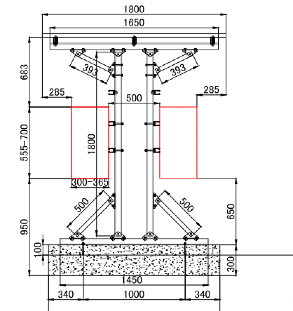
vp-HS99
全メーカーパワコン適用式vp-HS99
設置可能PCS
HUAWEI・SUNGROW等
設置方式
膨張アンカー
耐風
40m/s
垂直積雪
99cm
材質
高耐食亜鉛メッキ鋼板
BACK